• ARI check valves 止回閥(逆止閥)

ARI check valves 止回閥(逆止閥)

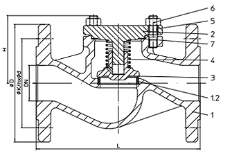
‧閥蓋 閥座 彈簧不銹鋼材質
‧接口:法蘭口 對焊口 套焊
    口等
‧材質:灰鐵 展性鑄鐵 鍛鋼
    鑄鋼 不銹鋼等
‧型式:一般型 Y型 角閥型
‧德國TÜV壓力測試認證
 

2.gif

ARI-Check valves

Check valve - straight through with flanges 

(Grey cast iron, SG iron, Cast steel)



型號 公稱壓力 材質 口徑
10.003 PN6 鑄鐵EN-JL1040 DN15-200
12.003 / 12.303 PN16 鑄鐵EN-JL1040 DN15-300
22.003 / 22.003 PN16 展性鑄鐵EN-JS1049 DN15-350
23.003 / 23.303 PN25 展性鑄鐵EN-JS1049 DN15-150
34.003 / 34.303 PN25 鑄鋼1.0619+N DN15-500
35.003 / 35.303 PN40 鑄鋼1.0619+N DN15-500

設定壓力 0,1 bar
Fig. 303: 閥內件材質-青銅: RG/MS
(最大操作壓力: 225°C, 設計根據 DIN 86251)